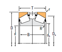
Double-Row Bearing / Type 2TS-DM

Double-Row Bearing Type_Type 2TS-DM
Part NumberBearing DimensionsLoad RatingsBearing Weight
Bore
d
O.D.
D
Width(1)
T
Width
B
Dynamic(2)Factors(3)Dynamic(4)Factors(3)
C1(2)eY1Y2C90Ca90C90(2)K
mm
in.
mm
in.
mm
in.
mm
in.
N
lbf
N
lbf
N
lbf
N
lbf
kg
lbs.
X32205-B/Y32205-B255238.536818000.581.161.7212200122002120010.4
0.98432.04721.51581.4174184002740274047700.88
X32006X/Y32006X30553434809000.431.572.34120008870210001.360.37
1.18112.16541.33861.3386182002710199047100.79
LM48548/LM4851034.92565.08836.06836.5761120000.381.792.671670010800292001.550.52
1.3752.56251.421.44253003760243065501.12
26885/2682041.27580.16750.850.81590000.322.123.152360012900411001.831.15
1.6253.156222357005310290092402.57
25580/2552044.4582.93147.62550.81580000.332.0232350013500409001.741.18
1.753.2651.8752354005270302091802.58
HM803149/HM80311044.4588.960.32558.741980000.551.241.842950027600513001.071.76
1.753.52.3752.31264450066306200115003.88
HM903249/HM90321044.4595.2561.91557.152370000.740.911.363540044800616000.792.08
1.753.752.43762.2553400795010100138004.6
X30309M/Y30309M4510054.5502250000.351.962.913350019800583001.692.11
1.77173.9372.14571.96865050075304450131004.64
HM804848/HM80481048.41295.2560.32558.742570000.551.241.843820035700666001.071.99
1.9063.752.3752.31265770085908030150004.42
368A/362A50.888.941.27544.451770000.322.113.142640014400460001.831.08
23.51.6251.753990059303250103002.34
3975/392050.8112.71260.32560.0962420000.41.682.53600024800627001.453.13
24.43752.3752.3665430080905570141006.91
33895/3382153.97595.2555.56557.152260000.332.053.053360019000586001.771.66
2.1253.752.18762.255080075604270132003.66
HM807049/HM80701053.975104.77573.02573.0243540000.491.382.065270044000918001.22.88
2.1254.1252.8752.87579600119009890206006.35
JLM506849/JLM506810559046463540000.491.382.062820019400491001.451.12
2.16543.54331.8111.8114260063404370110002.5
X31311M/Y31311M5512058582990000.830.821.224460063000776000.713.27
2.16544.72442.28352.2834673001000014200175007.21
28680/2862255.56297.6349.21549.2162150000.41.682.53200022000556001.451.57
2.18753.84371.93761.93764820071804950125003.47
387A/382A57.1596.83842.00143.8921880000.351.912.842800016900487001.651.24
2.253.81251.65361.7284220062803810109002.72
3979/392057.15112.71260.32560.0962420000.41.682.53600024800627001.452.87
2.254.43752.3752.3665430080905570141006.35
3977/392060112.71260.32560.0962420000.41.682.53600024800627001.452.75
2.36224.43752.3752.3665430080905570141006.07
28985/2892160.32510050.850.81850000.431.592.362750020000479001.371.55
2.3753.937224150061804500108003.45
3980/392060.325112.71260.32560.0962420000.41.682.53600024800627001.452.74
2.3754.43752.3752.3665430080905570141006.06
HM911245/HM91121060.325130.17573.02566.6763440000.820.821.235120071900892000.714.37
2.3755.1252.8752.625774001150016200201009.65
554/552A61.912123.82576.273.3563320000.351.952.94940029300861001.694.23
2.43754.87532.88874700111006590194009.35
H913842/H91381061.912146.0582.5579.3764740000.780.861.2870700947001230000.756.65
2.43755.753.253.12510700015900213002770014.67
9181/912161.912152.495.2592.0764970000.661.031.5374000831001290000.898.35
2.437563.753.62511200016600187002900018.42
3982/392063.5112.71260.32560.0962420000.41.682.53600024800627001.452.6
2.54.43752.3752.3665430080905570141005.74
HM212047/HM21201163.5122.23876.276.7084650000.3422.9869200400001210001.734.02
2.54.812533.02104000156008990271008.83
78250/7855163.5140.0373.02566.4723530000.870.781.165260077900915000.675.23
2.55.5132.8752.6177930011800175002060011.55
JLM710949C/JLM7109106510548462230000.451.492.213320025800579001.291.58
2.55914.13391.88981.8115020074705810130003.45
JM511946/JM5119106511056562910000.41.682.54330029800754001.452.19
2.55914.33072.20472.20486540097406700170004.82
6379/632065.087135.755107.95112.0146630000.322.083.198800549001720001.87.5
2.56255.34474.254.4114900022200123003870016.56
39590/3952066.675112.71260.32560.3242910000.341.992.964330025100754001.722.41
2.6254.43752.3752.3756530097305650169005.31
HM212049/HM21201166.675122.23876.276.7084650000.3422.9869200400001210001.733.88
2.6254.812533.02104000156008990271008.54
HH914449/HH91441266.675177.8114.3107.957850000.80.851.261170001600002030000.7314.54
2.62574.54.2517600026300359004570032.03
9278/922068.262161.92598.42592.0766140000.710.951.42914001110001590000.829.34
2.68756.3753.8753.62513800020600249003580020.59
47487/4742069.8512065.0965.093110000.361.872.794630028600807001.623.03
2.754.72442.56262.562670000104006420181006.66
HM813846/HM81381069.8512773.02573.0243990000.51.34259400511001030001.163.98
2.7552.8752.875897001340011500233008.78
H913849/H91381069.85146.0582.5579.3764740000.780.861.2870700947001230000.756.13
2.755.753.253.12510700015900213002770013.54
655/65369.85146.0582.5582.554300000.411.652.4664000448001120001.436.67
2.755.753.253.259670014400101002510014.7
H715347/H71531169.987136.52592.07692.0765560000.471.432.1282700670001440001.246.48
2.75545.3753.6253.62512500018600151003240014.29
H414249/H41421071.437136.52582.5582.555620000.361.872.7983700516001460001.625.26
2.81255.3753.253.2512600018800116003280011.63
33287/3346273.025117.47560.32560.3242410000.441.552.313590026800624001.342.47
2.8754.6252.3752.3755420080606020140005.43
33287/334627511550502440000.461.472.193640028600634001.271.84
2.95284.52761.96861.96865490081806420142004.05
X33115/Y331157512574743560000.41.72.535300036100923001.473.61
2.95284.92132.91342.913480000119008110208007.94
34301/3447876.2121.44249.21546.0241780000.451.52.232650020500461001.32.02
34.78121.93761.8124000059604600104004.47
42687/4262076.212760.325622800000.421.612.44180029900727001.392.99
352.3752.4416310093906730163006.6
5760/573576.2135.73388.992.25270000.411.662.4778500546001370001.445.55
35.34383.53.6311800017600123003070012.23
495A/49376.2136.52560.32559.5382690000.441.522.264000030500697001.313.84
35.3752.3752.3446050090006850157008.43
575/57276.2139.99273.02572.1963600000.41.672.495360037100934001.454.94
35.51152.8752.8424809001210083302100010.93
659/65376.2146.0582.5582.554300000.411.652.4664000448001120001.436.21
35.753.253.259670014400101002510013.66
590A/592A76.2152.479.37572.6443760000.441.532.275600042400975001.326.75
363.1252.86846001260095302190014.88
755/75276.2161.92595.2596.525700000.341.982.9584800495001480001.719.92
36.3753.753.812800019100111003320021.86
9285/922076.2161.92598.42592.0766140000.710.951.42914001110001590000.828.68
36.3753.8753.62513800020600249003580019.16
9380/932176.2171.4598.42592.0766320000.760.881.31941001230001640000.7610.71
36.753.8753.62514200021200277003680023.59
LM814849/LM81481077.788117.47550.850.82050000.511.321.973060026700532001.151.9
3.06254.625224610068705990120004.16
JM515649/JM5156108013070684100000.391.742.5961000406001060001.53.52
3.14965.11812.75592.677292100137009120239007.78
496/49380.962136.52560.32559.5382690000.441.522.264000030500697001.313.5
3.18755.3752.3752.3446050090006850157007.69
HM516449C/HM51641082.55133.3579.37579.3764500000.41.682.567100462001170001.454.41
3.255.253.1253.1251010001510010400263009.74
6559C/653682.55161.925107.95110.27650000.41.692.51114000781001980001.4610.45
3.256.3754.254.338617200025600176004460023.07
27690/2762083.345125.41250.850.82040000.421.622.423040021600529001.42.21
3.28134.9375224590068304860119004.83
9386H/932184.138171.4598.42592.0766320000.760.881.31941001230001640000.769.83
3.31256.753.8753.62514200021200277003680021.66
JM716649/JM7166108513060582810000.441.522.264180031800728001.312.8
3.34655.11812.36222.28346310094007150164006.19
JH217249/JH2172108515092926850000.332.033.02102000581001780001.766.9
3.34655.90553.6223.62215400022900131003990015.2
6580/653588.9161.925107.95110.27650000.41.692.51114000781001980001.469.71
3.56.3754.254.338617200025600176004460021.42
98350/9878888.9200105.52298.4248390000.631.071.591250001350002170000.9216.18
3.57.8744.15443.87518900028100304004890035.66
HM218248/HM21821089.975146.97580805650000.332.033.0284200479001470001.765.19
3.54235.78643.14963.149612700018900108003300011.44
X32018X/Y32018X9014064643780000.421.62.385630040800980001.383.54
3.54335.51182.51972.519685000127009170220007.79
JM718149/JM7181109014570683870000.441.522.2657700439001000001.314.46
3.54335.70872.75592.677287000130009860226009.82
JHM318448/JHM3184109015588886830000.341.982.95102000594001770001.716.84
3.54336.10243.46463.464615300022900133003980015.04
J90354/J9074890190101.692.0766670000.870.781.16993001470001730000.6712.61
3.54337.480343.62515000022300331003890027.82
JM719149/JM7191139515070683740000.441.532.275570042100969001.324.51
3.74025.90552.75592.677284000125009470218009.97
594/592XS95.25147.63871.43572.6443760000.441.532.275600042400975001.324.31
3.755.81252.81242.8684600126009530219009.51
683/67295.25168.27582.5582.554610000.471.432.1468600553001190001.247.81
3.756.6253.253.2510400015400124002690017.21
42381/4258496.838148.4357.1557.9423360000.491.372.045010042200871001.193.53
3.81255.84372.252.281275600113009480196007.8
90381/9074496.838188.912101.692.0766670000.870.781.16993001470001730000.6711.77
3.81257.437543.62515000022300331003890025.95
685/67298.425168.27582.5582.554610000.471.432.1468600553001190001.247.58
3.8756.6253.253.2510400015400124002690016.67
HH421246C/HH42121098.425184.1512712710900000.371.82.691630001040002840001.5615.24
3.8757.255524600036600235006380033.63
HM321245/HM32121099.212171.4598.42598.4246020000.341.972.9389600526001560001.79.22
3.9066.753.8753.87513500020100118003510020.33
JM720249/JM72021010015572704030000.471.432.1260000486001040001.244.89
3.9376.10242.83462.7569060013500109002350010.76
JM720249/JM72021010015572.481704030000.471.432.1260000486001040001.244.9
3.9376.10242.85362.7569060013500109002350010.8
JHM720249/JHM72021010016082805760000.471.432.1485800691001490001.246.25
3.9376.29923.22843.149613000019300155003360013.78
X30220M/Y30220M10018074685240000.421.612.3978000561001360001.397.87
3.9377.08662.91342.677211800017500126003050017.35
687/672101.6168.27582.5582.554610000.471.432.1468600553001190001.247.17
46.6253.253.2510400015400124002690015.81
941/932101.6212.725133.35133.359960000.332.073.09148000827002580001.7922.69
48.3755.255.2522400033300186005800050.05
HH923649/HH923610101.6250.825152.4146.0514400000.70.971.442150002570003740000.8436.33
49.87565.7532400048200578008400080.12
56418/56650106.362165.173.02573.0243940000.51.362.0258700500001020001.185.64
4.18756.52.8752.8758860013200112002300012.42
K37425/K37625107.95158.7546.0442.8762380000.611.111.663540036700616000.962.92
4.256.251.81261.6885340079608250139006.41
HH224340/HH224310107.95212.725133.35133.3511800000.332.073.09176000983003070001.7921.35
4.258.3755.255.2526600039600221006900047.08
936/932107.95212.725133.35133.359960000.332.073.09148000827002580001.7921.57
4.258.3755.255.2522400033300186005800047.56
JM822049/JM82201011016570703960000.51.362.0258900501001030001.185.05
4.33076.49612.7562.7568890013200113002310011.17
X32222M/Y32222M1102001121068580000.421.612.39128000919002220001.3914.57
4.33077.8744.40954.173219300028700207005000032.12
X31322M/Y31322M1102401261149630000.830.821.221430002030002500000.7113.82
4.33079.44884.96064.488221700032200455005610030.46
H924045/H924010111.125214.312111.125104.7769700000.6711.491440001670002510000.8717.33
4.3758.43754.3754.12521800032500375005650038.21
64450/64700114.3177.882.5582.554780000.521.311.9571200629001240001.137.18
4.573.253.2510800016000141002790015.85
938/932114.3212.725133.35133.359960000.332.073.09148000827002580001.7920.79
4.58.3755.255.2522400033300186005800045.85
HM926740/HM926710114.3228.6107.9598.85610200000.740.921.361520001920002650000.7919.77
4.594.253.89223000034200431005950043.59
HH926744/HH926716114.3279.4165.1165.118500000.631.071.592760002990004810000.9249.76
4.5116.56.54170006210067200108000109.68
HM624749/HM624716120.65199.97592.07592.0756290000.431.582.3593700685001630001.3711.5
4.757.8733.6253.62514200021100154003670025.36
795/792120.65206.37595.2595.256580000.461.472.1998000770001710001.2713.32
4.758.1253.753.7514800022000173003840029.38
95475/95925120.65234.9512712710900000.371.832.721630001030002840001.5825.89
4.759.255524600036700232006380057.11
HH228340/HH228310120.65254155.575165.115800000.322.13.132360001300004110001.8238.54
4.75106.1256.535600053000292009240084.97
HH926749/HH926710120.65273.05165.1165.118500000.631.071.592760002990004810000.9245.2
4.7510.756.56.5417000621006720010800099.61
HM926745/HM926710125.298228.6107.9598.85710200000.740.921.361520001920002650000.7918.17
4.93394.253.89223000034200431005950040.05
48290/48220127182.56279.37576.24660000.312.213.2969400363001210001.918.02
57.18753.12531050001560081602720017.68
67388/67322127196.8592.07592.0756400000.341.962.9295300561001660001.710.39
57.753.6253.62514400021400126003730022.92
74500/74845127214.97595.2595.256650000.491.382.0699000826001720001.214.33
58.46363.753.7515000022300186003880031.6
74500/74850127215.995.2595.256650000.491.382.0699000826001720001.214.31
58.53.753.7515000022300186003880031.54
HM926747/HM926710127228.6107.9598.85710200000.740.921.361520001920002650000.7917.89
594.253.89223000034200431005950039.47
95500/95925127234.9512712710900000.371.832.721630001030002840001.5824.67
59.255524600036700232006380054.39
HH932132/HH932110127304.8177.8165.120200000.730.931.383000003740005220000.861.95
51276.54530006750084100117000136.57
HM926749/HM926710127.792228.6107.9598.85710200000.740.921.361520001920002650000.7917.77
5.031294.253.89223000034200431005950039.2
797/792130206.37595.2595.256580000.461.472.1998000770001710001.2713.51
5.11818.1253.753.7514800022000173003840029.8
X32226M/Y32226M130230135.512811900000.441.552.311770001320003080001.3423.43
5.11819.05515.33465.039426700039800296006920051.69
X31326M/Y31326M13028014413212000000.830.821.221790002530003120000.7141.08
5.118111.02365.66935.196927000040300569007010090.56
M327349/67322133.35196.8592.07592.0756720000.341.962.92100000589001740001.79.42
5.257.753.6253.62515100022500133003920020.76
74525/74850133.35215.995.2595.256650000.491.382.0699000826001720001.213.35
5.258.53.753.7515000022300186003880029.4
LL428349/LL428310139.7180.97542.86541.2761970000.371.852.752940018400512001.62.61
5.57.1251.68761.6254440066004130115005.75
74550/74850139.7215.995.2595.256650000.491.382.0699000826001720001.212.33
5.58.53.753.7515000022300186003880027.16
99550/99100139.7254133.35133.3511500000.411.662.471710001190002980001.4329.52
5.5105.255.2525800038500268006700065.08
EE107057/107105146.05268.288149.225149.22513700000.391.742.592030001350003540001.5141.74
5.7510.56255.8755.87530700045700303007960091.99
HH932145/HH932110146.05304.8177.8165.120200000.730.931.383000003740005220000.856.73
5.751276.54530006750084100117000125.06
HM231149/HM231110149.225236.538114.3113.28410400000.322.123.15155000845002690001.8318.48
5.8759.31254.54.4623400034800190006060040.71
X31330M/Y31330M15032016415015000000.830.821.222240003160003890000.7160.19
5.905512.59846.45675.9055338000503007100087500132.61
M231649/M231610152.4222.2593.6693.666070000.332.033.0290400515001570001.7611.94
68.753.68743.687413600020300116003540026.34
99600/99100152.4254133.35133.3511500000.411.662.471710001190002980001.4326.46
6105.255.2525800038500268006700058.34
HH234048/HH234010152.4307.975177.8187.32520100000.332.073.082990001670005200001.7961.59
612.12577.3754510006720037500117000135.77
H936340/H936310155.575330.2171.45158.7521400000.810.831.243190004410005550000.7267.25
6.125136.756.254810007160099200125000148.26
46780/46720158.75225.42582.5579.3755280000.381.762.6278600516001370001.5210.66
6.258.8753.253.12511900017700116003080023.53
EE217062X/217112158.75285.75152.4146.0512400000.41.682.51850001280003230001.4539.7
6.2511.2565.7528000041700287007250087.52
EE117063/117148161.925374.65174.625158.7523000000.710.961.423430004150005980000.8388.58
6.37514.756.8756.255180007720093300134000195.27
67780/67720165.1247.6595.2595.257050000.441.542.29105000790001830001.3316.43
6.59.753.753.7515900023600178004110036.24
94649/94113165.1288.92512712711500000.471.442.151710001370002980001.2540.61
6.511.3755525800038500308006700089.52
H238140/H238110165.1311.15165.1165.118400000.332.043.042740001550004770001.7756.92
6.512.256.56.54140006160034900107000125.51
HH437549/HH437510165.1336.55190.5190.528800000.371.822.714290002730007480001.5779.69
6.513.257.57.56480009650061400168000175.7
67782/67720168.275247.6595.2595.257050000.441.542.29105000790001830001.3315.71
6.6259.753.753.7515900023600178004110034.65
H936349/H936310168.275330.2171.45158.7521400000.810.831.243190004410005550000.7263.23
6.625136.756.254810007160099200125000139.4
HM535347/HM535310169.975260.35133.35133.3511400000.41.682.51690001170002950001.4525.94
6.691910.255.255.2525600038100262006630057.22
X32934M/Y32934M17023076766180000.381.762.6292000604001600001.529.14
6.69299.05512.99212.992213900020700136003600020.15
JHM534149/JHM53411017023078765830000.381.762.6286800569001510001.528.9
6.69299.05513.07082.992213100019500128003400019.59
JM734449A/JM73441017024092896670000.441.542.399300743001730001.3412.8
6.69299.44883.6223.50415000022300167003890028.19
86669/8610017025492.07592.0768670000.371.832.72129000816002250001.5815.1
6.6929103.6253.62519500029000183005050033.27
X32034XM/Y32034XM17026011411410600000.441.522.261580001200002750001.3121.75
6.692910.23624.48824.488223900035500270006190047.79
EE117067/117148171.45374.65174.625158.7523000000.710.961.423430004150005980000.8385.52
6.7514.756.8756.255180007720093300134000188.51
67786/67720174.625247.6595.2595.257050000.441.542.29105000790001830001.3314.45
6.8759.753.753.7515900023600178004110031.85
67790/67720177.8247.6595.2595.257050000.441.542.29105000790001830001.3313.79
79.753.753.7515900023600178004110030.39
82680X/82620177.8279.4123.825123.8249300000.521.291.921380001240002410001.1128.09
7114.8754.87520900031100280005420061.94
HM237545/HM237510177.8288.92512712717000000.322.123.152530001380004410001.8331.62
711.3755538200056900311009910069.75
EE607070/607140177.8355.6158.75155.57618500000.551.241.842760002580004800001.0772.51
7146.256.1254160006200057900108000159.87
EE350701/351687177.8428.625212.726190.526200000.760.891.333900005060006790000.77145.48
716.8758.3757.558800087600114000153000320.7
JM736149/JM73611018025090907120000.481.412.09106000872001850001.2213.77
7.08669.84253.54343.543416000023800196004150030.34
X32936M/Y32936M18025090907020000.481.412.09105000859001820001.2213.43
7.08669.84253.54343.543415800023500193004090029.63
X32036XM/Y32036XM18028012812812300000.421.62.381830001330003190001.3828.8
7.086611.02365.03945.039427700041200298007170063.46
JM738249/JM73821019026092887080000.481.412.11105000862001840001.2214.06
7.480310.23623.6223.464615900023700194004130030.99
X32038XM/Y32038XM19029012812812500000.441.532.271860001410003250001.3230.16
7.480311.41735.03945.039428100041900317007300066.48
470975/470132190.5336.55165.1168.27616400000.371.852.752450001530004260001.661.46
7.513.256.56.625370000550003440095800135.5
HH840249/HH840210190.5336.55196.85190.520100000.581.171.752990002940005200001.0174.14
7.513.257.757.54510006710066200117000163.45
EE350750/351687190.5428.625212.725190.528600000.760.891.334260005540007420000.77139.8
7.516.8758.3757.564400095900124000167000308.21
L540049/L540010196.8525457.1555.5663670000.41.72.535470037100952001.476.97
7.75102.252.1876825001230083502140015.37
X32040XM/Y32040XM20031014014014800000.431.572.342200001620003830001.3639.08
7.87412.20475.51185.511833200049400364008600086.14
EE420801/421437203.2365.049184.15177.79420300000.41.682.53030002080005270001.4578.68
814.3727.256.99984570006810046800118000173.48
EE114080/114160203.2406.4184.15171.4521200000.80.851.263160004310005500000.73102.7
8167.256.754770007100097000124000226.43
M241549/M241510204.788292.1115.888115.8910400000.332.033.02156000885002710001.7624.6
8.062511.54.56264.562623500035000199006090054.22
H242649/H242610206.375336.55196.85200.02423600000.332.033.023510002000006120001.7668.69
8.12513.257.757.8755300007900045000137000151.44
93825/93125209.55317.512712712700000.521.291.921900001700003300001.1235.47
8.2512.55528600042600382007420078.21
HM743345/HM743310209.55333.375139.7139.716000000.441.542.292380001790004140001.3346.1
8.2513.1255.55.5359000534004020093000101.64
96825/96140209.55355.6136.525133.3513200000.591.141.71970001990003430000.9957.44
8.25145.3755.25297000442004470077000126.67
543085/543114215.9290.0163.563.54160000.391.752.6162000409001080001.5211.62
8.511.41772.52.5936001390091902430025.62
EE380875/380190222.25482.6234.95190.528700000.870.781.164280006350007450000.67193.74
8.75199.257.564600096200143000168000427.1
EE113089/113170228.397431.8184.149171.4522200000.880.761.143300005000005750000.66114.78
8.992177.256.7549900074300112000129000253.04
EE113091/113170228.46431.8184.15171.4522200000.880.761.143300005000005750000.66115.43
8.9945177.256.7549900074300112000129000254.48
544090/544118228.6300.03866.67563.54140000.41.682.561600424001070001.4511.91
911.81252.6252.5930001390095302410026.22
88900/88126228.6320.675101.698.4249610000.491.392.061430001190002490001.223.73
912.62543.87521600032200268005600052.27
96900/96140228.6355.6136.525133.3513200000.591.141.71970001990003430000.9949.44
9145.3755.2529700442004470077000109.04
HH949549/HH949510228.6488.95247.65222.2539100000.940.721.0758200093400010100000.62214.23
919.259.758.75879000131000210000228000472.33
EE390090/390200228.6508234.95190.529200000.940.721.074340006970007560000.62215.02
9209.257.565600097700157000170000474.05
H247549/H247510234.95384.175225.425225.42429200000.940.721.074340002470007560001.76104.72
9.2515.1258.8758.8756560009760055600170000230.88
X32048X/Y32048X24036015215220600000.461.472.193060002410005340001.2753.32
9.448814.17325.98425.98424630006890054100120000117.52
HH249949/HH249910247.65406.4231.775234.9536200000.332.033.025390003070009390001.76125.29
9.75169.1259.2581400012100069000211000276.23
HH953749/HH953710254533.4266.7241.346700000.940.721.07696000112000012100000.62275.73
102110.59.51050000156000251000272000607.88
EE620100/620220254558.8209.55209.5531300000.870.781.164660006910008120000.67282.99
10228.258.25704000105000155000182000623.87
LM451347/LM451310264.975355.6114.312412700000.361.872.791890001170003300001.6232.47
10.4321144.54.881828600042600263007420071.59
H852849/H852810266.7444.5241.3234.9531800000.581.171.754730004660008230001.01150.83
10.517.59.59.25714000106000105000185000332.55
545112/545141285.75358.77566.67563.54490000.491.372.0466800563001160001.1915.01
11.2514.1252.6252.510100015000126002620033.08
LM757049/LM757010304.8406.412712713400000.441.532.281990001510003470001.3243.24
12165530100044800339007810095.31
M959442/M959410304.8499.948203.2158.7523300001.170.580.863460006950006030000.5138.33
1219.68386.2552300077900156000136000304.94
X32972M/Y32972M36048015215221700000.461.472.193240002540005640001.2792.8
14.173218.89765.98435.98424890007280057100127000164.88
L865547/L865512381479.42598.42595.2510300000.51.362.031540001300002680001.1839
1518.8753.8753.7523200034600293006030085.96
NP852610/NP58872140051012412417200000.371.852.752550001600004450001.662.34
15.74820.07874.88194.88183860005740035900100000137.44
LM567949/LM567910406.4549.275171.45168.27624900000.411.662.473710002590006460001.43111.23
1621.6256.756.6255610008350058200145000245.21
LM869448/LM869410431.8571.5149.225149.22421400000.551.241.843190002980005550001.07102.28
1722.55.8755.8754810007170067000125000225.49
NP837820/NP562053460860420380125000000.581.171.751860000184000032400001.011087
18.110233.858316.535414.960628100004190004130007290002396.41
LL771948/LL771911476.25565.1582.5582.558170000.471.442.14122000978002120001.2439.55
18.7522.253.253.2518400027400220004760087.18
80480/80425482.6615.95107.9592.07611400000.351.932.881700001020002960001.6774.57
1924.254.253.625257000382002290066600164.36
NP378108/NP6769015601080530.022470186000000.471.452.162770000221000048300001.252182.15
22.047242.519720.86718.504419000062400049700010900004810.8
NP194866/NP08974471095022621270500000.461.472.19105000082400018300001.27445.68
27.952837.40168.89768.34641580000236000185000411000982.52
EE755285/755360723.9914.4168.275161.92441500000.381.772.6461900040300010800001.54260.54
28.5366.6256.37593400013900090600242000574.38
EE175300/175350762889139.7139.718800000.381.782.652800001820004880001.54141.22
30355.55.54230006290040800110000311.37
EE157337/157430857.251092.2241.3222.2550600000.561.211.875400071900013100001.05516.72
33.75439.58.7511400001690001620002950001139.23
Part NumberBore
d
O.D.
D
Width(1)
T
mm
in.
mm
in.
mm
in.
X32205-B/Y32205-B255238.5
0.98432.04721.5158
X32006X/Y32006X305534
1.18112.16541.3386
LM48548/LM4851034.92565.08836.068
1.3752.56251.42
26885/2682041.27580.16750.8
1.6253.15622
25580/2552044.4582.93147.625
1.753.2651.875
HM803149/HM80311044.4588.960.325
1.753.52.375
HM903249/HM90321044.4595.2561.915
1.753.752.4376
X30309M/Y30309M4510054.5
1.77173.9372.1457
HM804848/HM80481048.41295.2560.325
1.9063.752.375
368A/362A50.888.941.275
23.51.625
3975/392050.8112.71260.325
24.43752.375
33895/3382153.97595.2555.565
2.1253.752.1876
HM807049/HM80701053.975104.77573.025
2.1254.1252.875
JLM506849/JLM506810559046
2.16543.54331.811
X31311M/Y31311M5512058
2.16544.72442.2835
28680/2862255.56297.6349.215
2.18753.84371.9376
387A/382A57.1596.83842.001
2.253.81251.6536
3979/392057.15112.71260.325
2.254.43752.375
3977/392060112.71260.325
2.36224.43752.375
28985/2892160.32510050.8
2.3753.9372
3980/392060.325112.71260.325
2.3754.43752.375
HM911245/HM91121060.325130.17573.025
2.3755.1252.875
554/552A61.912123.82576.2
2.43754.8753
H913842/H91381061.912146.0582.55
2.43755.753.25
9181/912161.912152.495.25
2.437563.75
3982/392063.5112.71260.325
2.54.43752.375
HM212047/HM21201163.5122.23876.2
2.54.81253
78250/7855163.5140.0373.025
2.55.5132.875
JLM710949C/JLM7109106510548
2.55914.13391.8898
JM511946/JM5119106511056
2.55914.33072.2047
6379/632065.087135.755107.95
2.56255.34474.25
39590/3952066.675112.71260.325
2.6254.43752.375
HM212049/HM21201166.675122.23876.2
2.6254.81253
HH914449/HH91441266.675177.8114.3
2.62574.5
9278/922068.262161.92598.425
2.68756.3753.875
47487/4742069.8512065.09
2.754.72442.5626
HM813846/HM81381069.8512773.025
2.7552.875
H913849/H91381069.85146.0582.55
2.755.753.25
655/65369.85146.0582.55
2.755.753.25
H715347/H71531169.987136.52592.076
2.75545.3753.625
H414249/H41421071.437136.52582.55
2.81255.3753.25
33287/3346273.025117.47560.325
2.8754.6252.375
33287/334627511550
2.95284.52761.9686
X33115/Y331157512574
2.95284.92132.9134
34301/3447876.2121.44249.215
34.78121.9376
42687/4262076.212760.325
352.375
5760/573576.2135.73388.9
35.34383.5
495A/49376.2136.52560.325
35.3752.375
575/57276.2139.99273.025
35.51152.875
659/65376.2146.0582.55
35.753.25
590A/592A76.2152.479.375
363.125
755/75276.2161.92595.25
36.3753.75
9285/922076.2161.92598.425
36.3753.875
9380/932176.2171.4598.425
36.753.875
LM814849/LM81481077.788117.47550.8
3.06254.6252
JM515649/JM5156108013070
3.14965.11812.7559
496/49380.962136.52560.325
3.18755.3752.375
HM516449C/HM51641082.55133.3579.375
3.255.253.125
6559C/653682.55161.925107.95
3.256.3754.25
27690/2762083.345125.41250.8
3.28134.93752
9386H/932184.138171.4598.425
3.31256.753.875
JM716649/JM7166108513060
3.34655.11812.3622
JH217249/JH2172108515092
3.34655.90553.622
6580/653588.9161.925107.95
3.56.3754.25
98350/9878888.9200105.522
3.57.8744.1544
HM218248/HM21821089.975146.97580
3.54235.78643.1496
X32018X/Y32018X9014064
3.54335.51182.5197
JM718149/JM7181109014570
3.54335.70872.7559
JHM318448/JHM3184109015588
3.54336.10243.4646
J90354/J9074890190101.6
3.54337.48034
JM719149/JM7191139515070
3.74025.90552.7559
594/592XS95.25147.63871.435
3.755.81252.8124
683/67295.25168.27582.55
3.756.6253.25
42381/4258496.838148.4357.15
3.81255.84372.25
90381/9074496.838188.912101.6
3.81257.43754
685/67298.425168.27582.55
3.8756.6253.25
HH421246C/HH42121098.425184.15127
3.8757.255
HM321245/HM32121099.212171.4598.425
3.9066.753.875
JM720249/JM72021010015572
3.9376.10242.8346
JM720249/JM72021010015572.481
3.9376.10242.8536
JHM720249/JHM72021010016082
3.9376.29923.2284
X30220M/Y30220M10018074
3.9377.08662.9134
687/672101.6168.27582.55
46.6253.25
941/932101.6212.725133.35
48.3755.25
HH923649/HH923610101.6250.825152.4
49.8756
56418/56650106.362165.173.025
4.18756.52.875
K37425/K37625107.95158.7546.04
4.256.251.8126
HH224340/HH224310107.95212.725133.35
4.258.3755.25
936/932107.95212.725133.35
4.258.3755.25
JM822049/JM82201011016570
4.33076.49612.756
X32222M/Y32222M110200112
4.33077.8744.4095
X31322M/Y31322M110240126
4.33079.44884.9606
H924045/H924010111.125214.312111.125
4.3758.43754.375
64450/64700114.3177.882.55
4.573.25
938/932114.3212.725133.35
4.58.3755.25
HM926740/HM926710114.3228.6107.95
4.594.25
HH926744/HH926716114.3279.4165.1
4.5116.5
HM624749/HM624716120.65199.97592.075
4.757.8733.625
795/792120.65206.37595.25
4.758.1253.75
95475/95925120.65234.95127
4.759.255
HH228340/HH228310120.65254155.575
4.75106.125
HH926749/HH926710120.65273.05165.1
4.7510.756.5
HM926745/HM926710125.298228.6107.95
4.93394.25
48290/48220127182.56279.375
57.18753.125
67388/67322127196.8592.075
57.753.625
74500/74845127214.97595.25
58.46363.75
74500/74850127215.995.25
58.53.75
HM926747/HM926710127228.6107.95
594.25
95500/95925127234.95127
59.255
HH932132/HH932110127304.8177.8
5127
HM926749/HM926710127.792228.6107.95
5.031294.25
797/792130206.37595.25
5.11818.1253.75
X32226M/Y32226M130230135.5
5.11819.05515.3346
X31326M/Y31326M130280144
5.118111.02365.6693
M327349/67322133.35196.8592.075
5.257.753.625
74525/74850133.35215.995.25
5.258.53.75
LL428349/LL428310139.7180.97542.865
5.57.1251.6876
74550/74850139.7215.995.25
5.58.53.75
99550/99100139.7254133.35
5.5105.25
EE107057/107105146.05268.288149.225
5.7510.56255.875
HH932145/HH932110146.05304.8177.8
5.75127
HM231149/HM231110149.225236.538114.3
5.8759.31254.5
X31330M/Y31330M150320164
5.905512.59846.4567
M231649/M231610152.4222.2593.66
68.753.6874
99600/99100152.4254133.35
6105.25
HH234048/HH234010152.4307.975177.8
612.1257
H936340/H936310155.575330.2171.45
6.125136.75
46780/46720158.75225.42582.55
6.258.8753.25
EE217062X/217112158.75285.75152.4
6.2511.256
EE117063/117148161.925374.65174.625
6.37514.756.875
67780/67720165.1247.6595.25
6.59.753.75
94649/94113165.1288.925127
6.511.3755
H238140/H238110165.1311.15165.1
6.512.256.5
HH437549/HH437510165.1336.55190.5
6.513.257.5
67782/67720168.275247.6595.25
6.6259.753.75
H936349/H936310168.275330.2171.45
6.625136.75
HM535347/HM535310169.975260.35133.35
6.691910.255.25
X32934M/Y32934M17023076
6.69299.05512.9921
JHM534149/JHM53411017023078
6.69299.05513.0708
JM734449A/JM73441017024092
6.69299.44883.622
86669/8610017025492.075
6.6929103.625
X32034XM/Y32034XM170260114
6.692910.23624.4882
EE117067/117148171.45374.65174.625
6.7514.756.875
67786/67720174.625247.6595.25
6.8759.753.75
67790/67720177.8247.6595.25
79.753.75
82680X/82620177.8279.4123.825
7114.875
HM237545/HM237510177.8288.925127
711.3755
EE607070/607140177.8355.6158.75
7146.25
EE350701/351687177.8428.625212.726
716.8758.375
JM736149/JM73611018025090
7.08669.84253.5434
X32936M/Y32936M18025090
7.08669.84253.5434
X32036XM/Y32036XM180280128
7.086611.02365.0394
JM738249/JM73821019026092
7.480310.23623.622
X32038XM/Y32038XM190290128
7.480311.41735.0394
470975/470132190.5336.55165.1
7.513.256.5
HH840249/HH840210190.5336.55196.85
7.513.257.75
EE350750/351687190.5428.625212.725
7.516.8758.375
L540049/L540010196.8525457.15
7.75102.25
X32040XM/Y32040XM200310140
7.87412.20475.5118
EE420801/421437203.2365.049184.15
814.3727.25
EE114080/114160203.2406.4184.15
8167.25
M241549/M241510204.788292.1115.888
8.062511.54.5626
H242649/H242610206.375336.55196.85
8.12513.257.75
93825/93125209.55317.5127
8.2512.55
HM743345/HM743310209.55333.375139.7
8.2513.1255.5
96825/96140209.55355.6136.525
8.25145.375
543085/543114215.9290.0163.5
8.511.41772.5
EE380875/380190222.25482.6234.95
8.75199.25
EE113089/113170228.397431.8184.149
8.992177.25
EE113091/113170228.46431.8184.15
8.9945177.25
544090/544118228.6300.03866.675
911.81252.625
88900/88126228.6320.675101.6
912.6254
96900/96140228.6355.6136.525
9145.375
HH949549/HH949510228.6488.95247.65
919.259.75
EE390090/390200228.6508234.95
9209.25
H247549/H247510234.95384.175225.425
9.2515.1258.875
X32048X/Y32048X240360152
9.448814.17325.9842
HH249949/HH249910247.65406.4231.775
9.75169.125
HH953749/HH953710254533.4266.7
102110.5
EE620100/620220254558.8209.55
10228.25
LM451347/LM451310264.975355.6114.3
10.4321144.5
H852849/H852810266.7444.5241.3
10.517.59.5
545112/545141285.75358.77566.675
11.2514.1252.625
LM757049/LM757010304.8406.4127
12165
M959442/M959410304.8499.948203.2
1219.6838
X32972M/Y32972M360480152
14.173218.89765.9843
L865547/L865512381479.42598.425
1518.8753.875
NP852610/NP588721400510124
15.74820.07874.8819
LM567949/LM567910406.4549.275171.45
1621.6256.75
LM869448/LM869410431.8571.5149.225
1722.55.875
NP837820/NP562053460860420
18.110233.858316.5354
LL771948/LL771911476.25565.1582.55
18.7522.253.25
80480/80425482.6615.95107.95
1924.254.25
NP378108/NP6769015601080530.022
22.047242.519720.867
NP194866/NP089744710950226
27.952837.40168.8976
EE755285/755360723.9914.4168.275
28.5366.625
EE175300/175350762889139.7
30355.5
EE157337/157430857.251092.2241.3
33.75439.5